试题3:PLC控制三相异步电动机位置控制电路的安装与调试
考试时间:120分钟
考试方式:实操+笔试
本题分值:35分
设备控制要求如下:小车由电动机拖动,按下起动按钮,小车前进到达B处自动停止,停留3s后,小车自动返回A处,在A处停留5s后,小车再次前进到B处,停留后又自动返回A处,如此自动循环两次小车停止。要求设置起动按钮和停止按钮,注意互锁。按下停止按钮后,系统停止运行。
- 具体考核要求
1)依据工作示意图,正确设置输入、输出的元器件与可编程控制器合理配置I/O,正确绘制I/O接线图,正确绘制主电路图。
2)正确画出梯形图
3)正确进行PLC输入、输出接线,依据电路图,按照要求用PLC实现控制电路的编程、安装与接线的任务。
PLC控制三相交流异步电动机位置控制示意图如图所示。

解析:
我们先看题目的要求(1)依据工作示意图,正确设置输入、输出的元器件与可编程控制器合理配置I/O,正确绘制I/O接线图,正确绘制主电路图。
从第一小问中可以看到我们需要画出I/O分配表、接线图和主电路这三个部分
2)正确画出梯形图
从第二小问中看出要画出梯形图,根据上面的I/O
3)正确进行PLC输入、输出接线,依据电路图,按照要求用PLC实现控制电路的编程、安装与接线的任务。
第三小问就是接线了,我们要看到根据上面我们自己设计的进行接线。
我们就知道了这个题目要让我们自己设计I/O分配表、接线图、主电路图和梯形图,最后进行接线。前四项是在理论作答,最后是实操。
我们再来看一下设备的控制要求
设备控制要求如下:小车由电动机拖动,按下起动按钮,小车前进到达B处自动停止,停留3s后,小车自动返回A处,在A处停留5s后,小车再次前进到B处,停留后又自动返回A处,如此自动循环两次小车停止。要求设置起动按钮和停止按钮,注意互锁。按下停止按钮后,系统停止运行。
由题目可知我们操作的是电动机,进行正反转的控制,题目中没有要求有正转反转的按钮,那么我们用启动按钮启动。正传和反转由SQ1和SQ2分别进行自动转向的控制,其中时间用定时器。自动循环两次后停止,用计数器操作。带上互锁的操作。
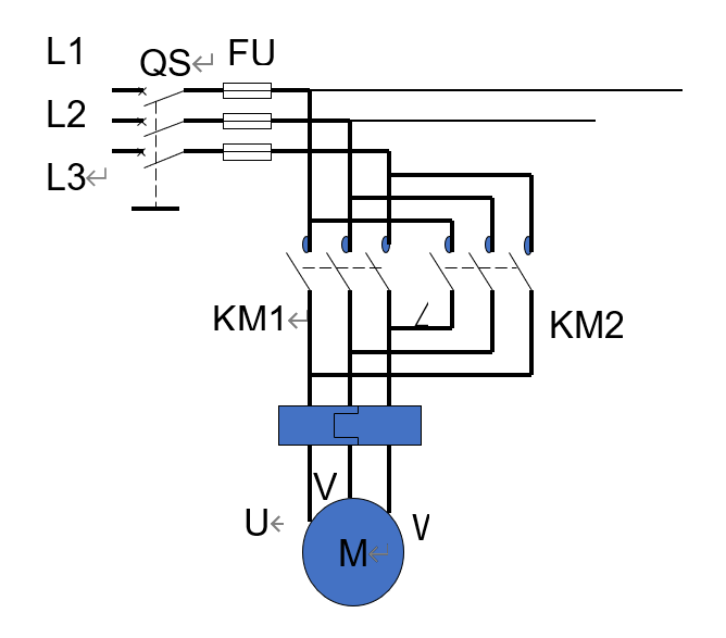
主电路部分由空开、熔断器、继电器和热继电器和三相异步电动机组成:
主电路部分:

I/O分配表:

PLC接线图:

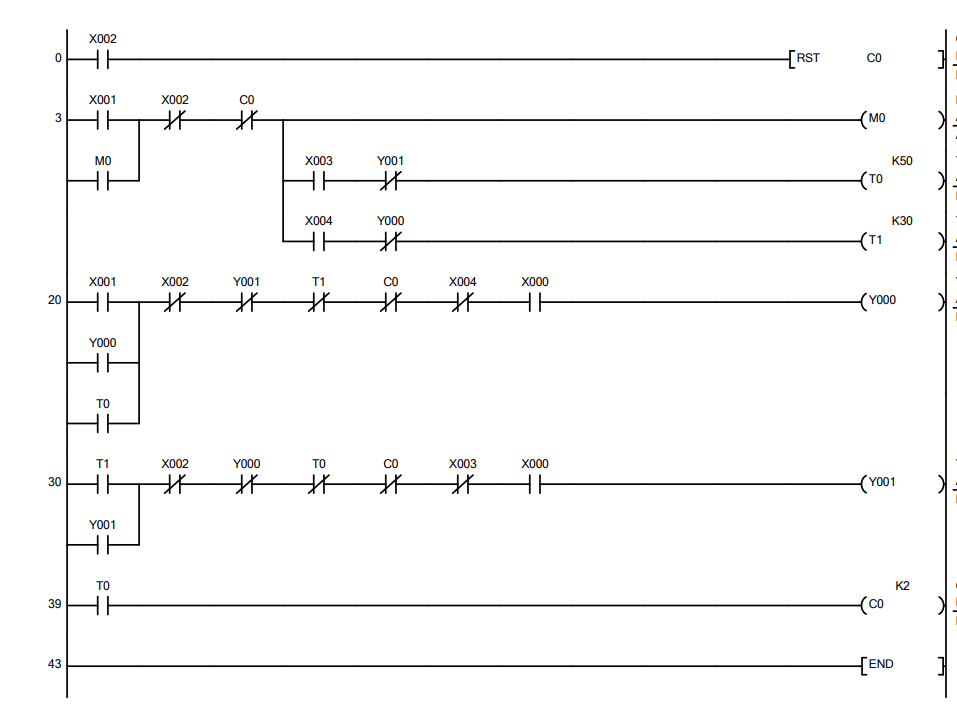
梯形图:

实际接线图如下所示(接线没有考虑工艺,实际接线需要考虑工艺要求):
